Produtos
Contate-Nos
Obtenha Um Orçamento
Recomendar
Descrição do Produto
Descrição
Composição do produto
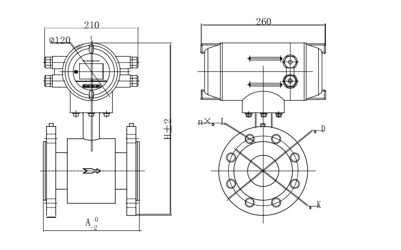
O medidor de vazão eletromagnético é composto por duas partes: o conversor de vazão eletromagnético e o sensor de vazão eletromagnético. O modelo separado também necessita de dois cabos dedicados com blindagem dupla para conectar o conversor e o sensor.
Tipo de produto
A série de medidores de vazão eletromagnéticos é dividida em dois tipos estruturais: integrado e separado. Podem ser utilizados em locais específicos à prova de explosão.
O sensor está disponível em 7 materiais diferentes para os eletrodos e 4 materiais diferentes para o revestimento.
Parâmetro
Detalhe

Recurso
• O medidor de energia tem a função de medir frio e calor e é equipado com 2 Pt1000 como padrão, nenhum totalizador adicional é necessário, o que é conveniente para instalação e reduz os custos de instalação;
• O conversor usa um microcomputador de chip único de baixo consumo de energia para processar dados, adota componentes eletrônicos SMD e tecnologia SMT de montagem em superfície e tem desempenho confiável, alta precisão, baixo consumo de energia e ponto zero estável;
• Adota estrutura multieletrodo, alta precisão, equipado com eletrodo de aterramento, sem necessidade de anel de aterramento, economia de custos;
• A estrutura multieletrodo garante alta precisão. Com o eletrodo de aterramento, não é necessário anel de aterramento, o que economiza custos;
• Quando desligado, a EEPROM pode proteger a configuração dos parâmetros e os valores cumulativos;
• O medidor de energia eletromagnética não tem inércia mecânica, tem uma resposta sensível, pode medir o fluxo pulsante instantâneo e tem boa linearidade;
• A excitação de onda retangular de baixa frequência melhora a estabilidade do fluxo, baixa perda de potência e excelentes características de baixa vazão.
Princípio de funcionamento
O princípio de funcionamento do medidor de vazão eletromagnético baseia-se na Lei de Indução Eletromagnética de Faraday, ou seja, quando o líquido condutor flui através do medidor de vazão eletromagnético, a força eletromotriz induzida é produzida no condutor líquido, sendo essa força diretamente proporcional à velocidade do líquido condutor, à densidade do fluxo magnético e à largura do condutor (diâmetro interno do medidor de vazão). Essa força eletromotriz induzida é detectada por um par de eletrodos na parede do tubo do medidor de vazão, e a equação da força eletromotriz induzida é a seguinte:
U = K×B×V×D
U: Força eletromotriz induzida
K: Constante do Instrumento
B: Densidade de fluxo magnético
V: Velocidade
D: Diâmetro interno
de tubo de medição
Contato

Mensagem
Produtos Recomendados
Chat Online